Blog

新闻资讯

IGBT的主要应用

2024-09-11 11:06

上一期为大家介绍了IGBT也就是绝缘栅双极晶体管的工作原理,今天给大家分享一些IGBT的常见应用,希望可以让大家进一步了解这类元器件在电路中担任的角色。

上期有提到IGBT的导通功耗是考量VCE(sat)而不是RDS(on),在电流小的场景下,IGBT的功耗是大于MOSFET的;但在某些大电流的场景,就是IGBT有优势了。

我们都知道P=UI=I2R,这里的P是指功率,U是电压或者施加在器件上的压降,I是导通时的电流,R是器件电阻。那么假设在40A的情况下,在同等耐压650V的器件,普通硅MOSFET的导通电阻预计在80-300mΩ左右,而IGBT的导通压降在1-3V之间,按照公式粗略计算可以看到MOSFET在导通电阻没有做下来的情况,功耗是远高于IGBT了。这也就是为什么要舍弃MOSFET的开关速度,也要选择IGBT的原因了。

那么IGBT的优势应用场景就出来了:大电流,那么工业和汽车应用中哪些是需要用到IGBT的呢?

以下图的空调压缩机为例

 

三相电机的驱动需要三路开关控制,加上正反转的功能,正常来说需要用到6颗开关类的器件,而这些开关器件的作用就是将电池的直流电逆变成三相交流电,从而实现对电机的驱动。

其它的应用场景还有汽车的电池管理系统、电动机控制、制动控制和充电控制等;

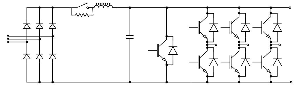
汽车主逆变器拓扑

 

工业方面有变频器、PCS(储能变流器)、UPS(不间断电源)等。

变频器拓扑

 

  以上便是IGBT的相关应用介绍,感谢大家的观看!